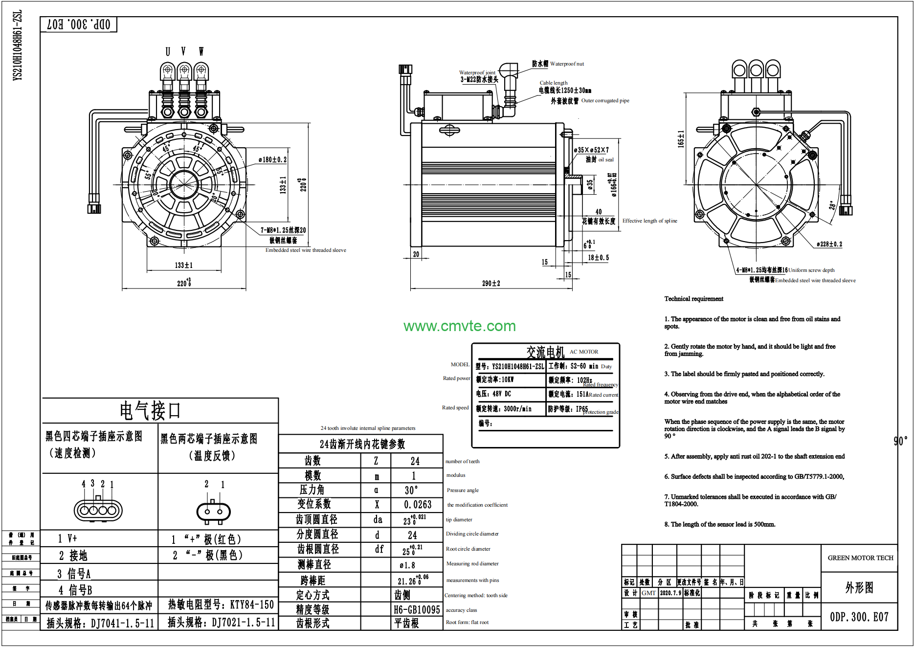
This is a AC induction motor kit, rated power 10KW, peak 20KW, battery voltage is 48V DC, low rpm, high torque, can be used for low speed truck or boat conversion to electric. The controller is 48V 500A. Battery pack you can use lithium battery or lead acid battery 48V 200AH, 300AH etc, depends on how long distance or mileage you want.
For boat conversion, the control throttle is joy stick.
For low speed truck, the accelerator is gas pedal.
Except motor, controller, battery, charger, we also provide you dashboard meter or battery meter, DC-DC converter, wire harness.
Before shipment, each kit we will test and send clients test videos, each cable is with connection guide label, and wire diagram. Parts manual so easy for clients to use or install.
PS: the motor rpm we can set rated 1000, 1500, 2000, 3000. rpm/min
| CONTROLLER | 4850 |
| battery input DC(V) | 48 |
| max current(AC/A) | 500 |
| controller max output frequency(Hz) | 300 |
| motor control way | vector |
| communication | RS232/CAN communication |
| working T range | -30℃——55℃ |
| cool way | self air cool |
| IP grade | IP65 |


Reviews
There are no reviews yet.