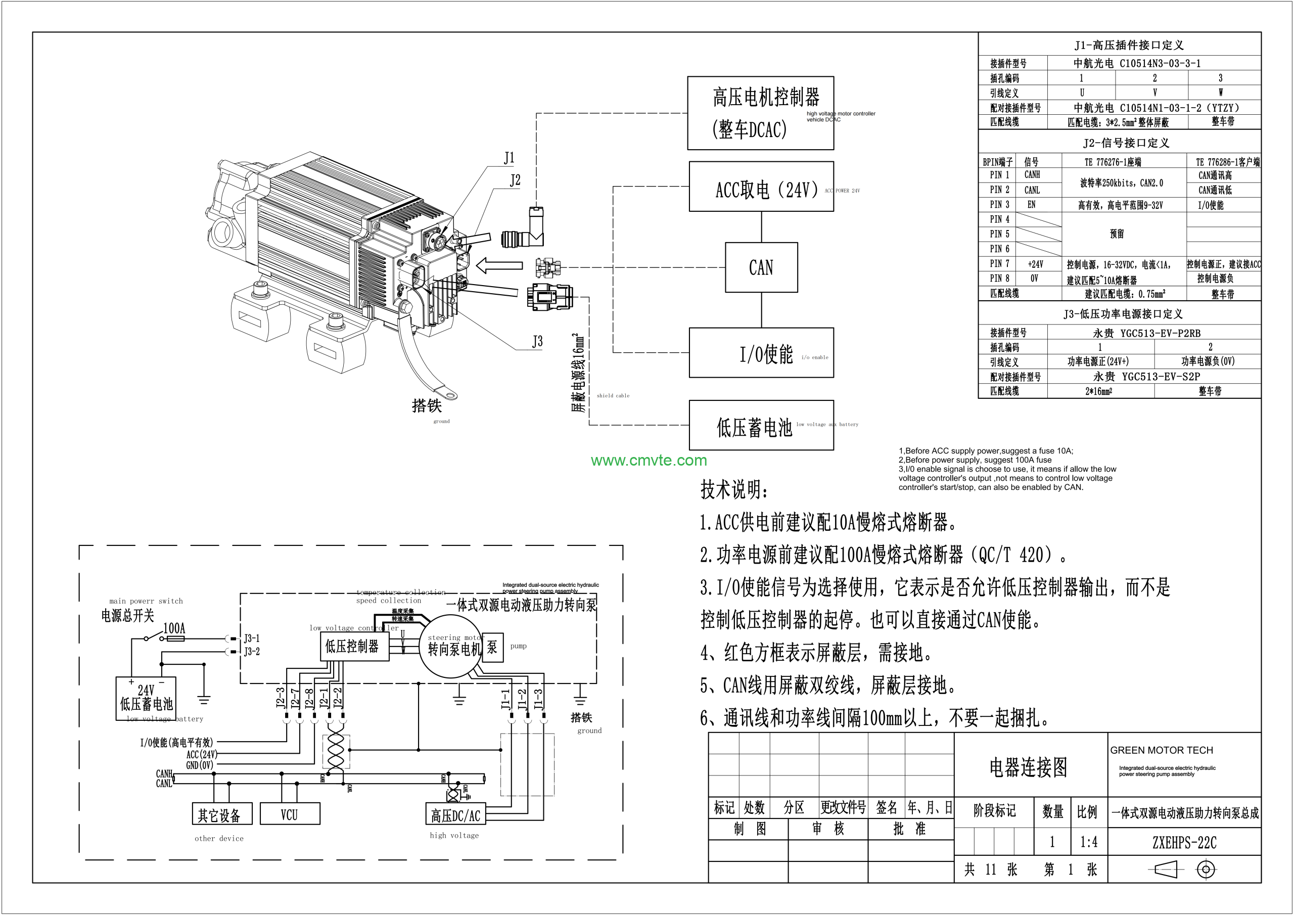
This is a High-Performance EHPS Assembly: 2.2KW Power Steering Solution for Heavy Duty Trucks and Buses, includs motor, controller. The controller communicate with VCU through CAN.We have version suitable for 360V DC voltage system and 540V DC voltage system.
low voltage is 24V DC.
More information, please refer to the technical drawings:
Integrated dual-source electric hydraulic power steering pump assembly






Reviews
There are no reviews yet.