High-Current CCS2 Vehicle Inlet for Ultra-Fast Charging 125A| Meets IEC 62196 Standards

Ultimate CCS2 Charging Socket (GMT Series) | CE/TUV certified for 1000VDC & up to 400A DC fast charging. Offers front/rear installation, tool-less design, and a robust one-piece housing for reduced plug gap & superior lock reliability. 12V/24V e-lock.

Category:
Share:

Capable of 10,000 mating cycles, while charging up to 80 A (at 250 VAC), and at 500 A (1000 VDC), these charging inlets are designed specifically for the rigorous requirements of industrial and commercial vehicles. This means larger cable sizes than what’s seen in the Automotive market – up to 120mm²  DC / PE 25 mm² / AC 16 mm².

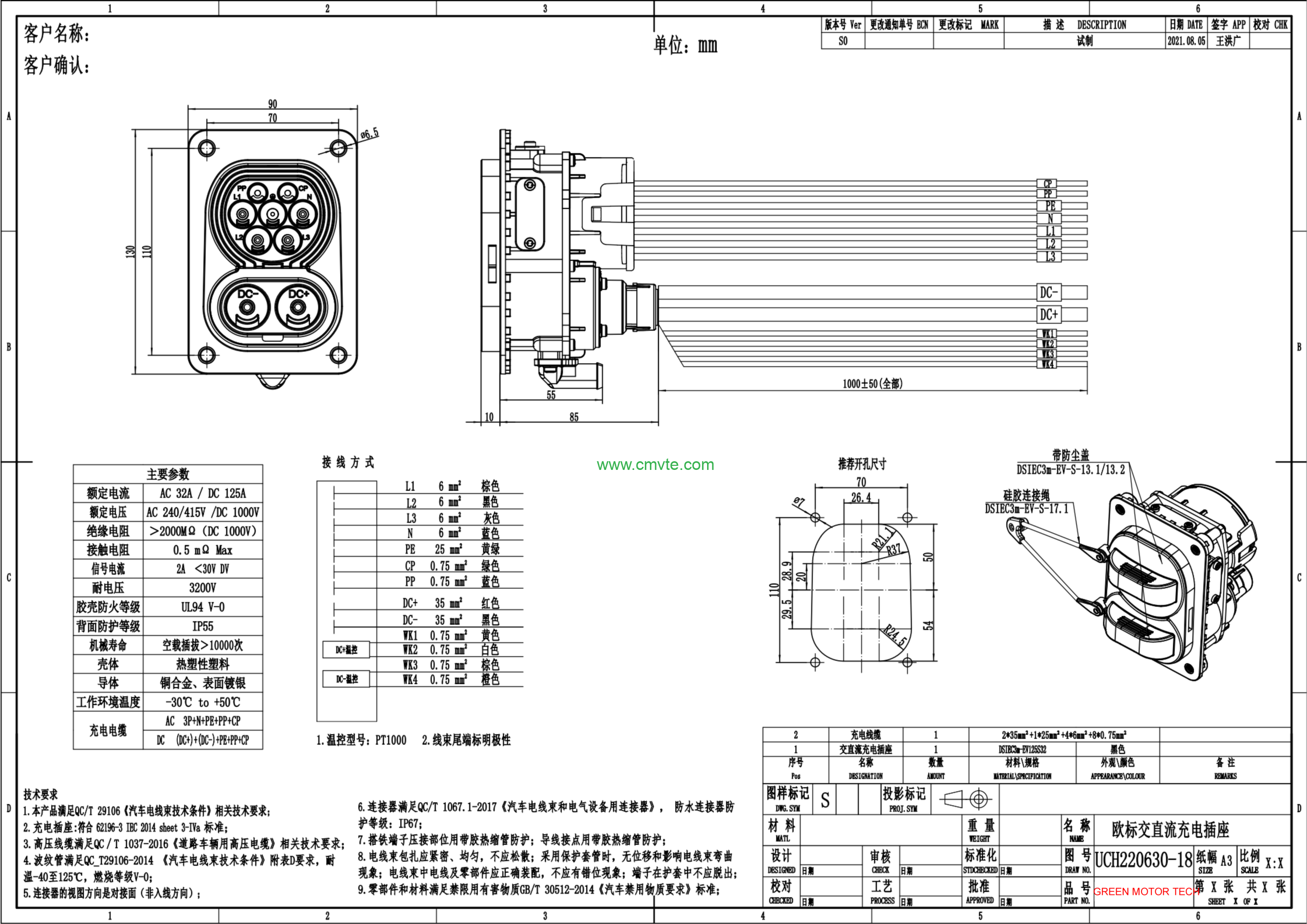
Features of European Standard DC Charging Socket

  • The direct pluggable dust cover is made of TPU material, combining hardness and flexibility.

  • Power terminals are silver-plated, resulting in low temperature rise and high stability.

  • Features a unique drainage structure and a monolithic plastic housing design, which reduces the plug-gun mating gap and enhances locking reliability.

  • Tool-less design for simple assembly.

  • High-sensitivity temperature sensor ensures precise and reliable monitoring.

Rated Current: DC: 80A/125A/150A/200A/250A/300A/400A (selectable); AC: 32A three-phase.

Compatible Cable Cross-Section: 16mm² / 35mm² / 50mm² / 70mm² / 95mm² / 120mm²

Electronic Lock: 12V / 24V optional

Compliance: Meets TUV/CE certification requirements.

rated current DC+/DC-:80A、125A、150A、200A、250A、300A、400A;

L1/L2/L3/N:32A;

PP/CP:2A

adaptable cable 80A/16mm²    insulation outer diameter.: Φ8.0±0.2

125A/35mm²    insulation outer diameter.: Φ11±0.2

150A/50mm²    insulation outer diameter.: Φ13±0.2

200A/70mm²    insulation outer diameter.: Φ15±0.2

250A/95mm²    insulation outer diameter.: Φ17.3±0.3

300A/95mm²    insulation outer diameter.: Φ17.3±0.3

400A/120mm²  insulation outer diameter.: Φ19±0.3

rated voltage DC+/DC-:1000V DC;

L1/L2/L3/N:480V AC;

PP/CP 30V DC

Dielectric strength 3000V AC / 1min. (DC + DC- PE)
key lock 12V / 24V to choose
insulation resistance ≥ 100mΩ 1000V DC (DC + / DC- / PE)
mechanical life 10,000  times
using environment temperature -30℃~50℃
IP grade IP44(match set)
terminals
material Copper alloy
surface treatment silver-plated
insulation
material thermoplastic plastic
color black
seal piece
material silicone rubber

DC125A 欧标直流座 01 scaled

 

Reviews

There are no reviews yet.

Be the first to review “High-Current CCS2 Vehicle Inlet for Ultra-Fast Charging 125A| Meets IEC 62196 Standards”
Shopping cart
High-Current CCS2 Vehicle Inlet for Ultra-Fast Charging 125A| Meets IEC 62196 Standards

High-Current CCS2 Vehicle Inlet for Ultra-Fast Charging 125A| Meets IEC 62196 Standards